
Can solid-state batteries improve EVs even more? Hyundai is betting on it. The automaker recently filed a patent for a pressurized all-solid-state EV battery system in the US.
Hyundai files patent for all-solid-state EV battery system
Hyundai looks to get a leg up as EV adoption continues climbing. The company’s latest plans include improving battery stability and energy density. In other words, Hyundai wants better-performing EVs that last longer.
The patent for an “all-solid-state battery system provided with pressurizing device” was published on December 28, 2023.
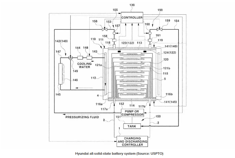
Hyundai describes an all-solid-state battery system where pressure is constantly maintained in each cell regardless of charging and discharging rates.
Traditional lithium-ion batteries use a liquid electrolyte to separate the cathode and anode. Solid-state batteries use, well, solid electrolyte. Therefore, even if the electrolyte is damaged, the battery maintains stability and performance.
Solid-state batteries are gaining popularity as a potential alternative to current lithium-ion batteries. The technology promises to be lighter and safer while offering faster charging and better performance. However, certain limitations are holding the technology back.

Solid-state batteries are still relatively new, and since there is no liquid electrolyte, a solid material must be used. These materials, like graphite, can be expensive and hard to source.
Hyundai’s new all-solid-state battery system is designed to overcome these issues. The system applies constant pressure to each cell during charging and discharging.

The patent describes battery cells arranged in a closed pressurized chamber. The cells are pressurized by fluid in an isostatic pressure. A pressurizing device is used to control the supply of the fluid to the chamber.
Sensors are used to determine the pressure and temperature in the chamber, while a voltage detector shows the voltage of each cell.

An included controller is used to start charging and discharging each cell when the temperature and pressure are within a set range. The system also consists of a temperature-adjusting device to maintain optimal temperatures.
Electrek’s Take
Hyundai isn’t the only automaker that aims to change the game with solid-state EV batteries. Toyota has been vowing to launch the technology for years. Its first solid-state batteries were due out in 2021, then in 2022, and now it looks like around 2030. And that will be in limited supply.
GM, Volkswagen, Ford, Nissan, Honda, Mercedes-Benz, and others are working on solid-state battery tech.
Hyundai wants to be one of the top three EV producers by 2030. The company’s CEO, Jae Hoon Chang, has said Hyundai will develop solid-state LFP and NCM batteries to lower costs with more flexibility.
The South Korean automaker is no stranger to the technology. Hyundai has recently filed patents for electrolyte solutions, binder solutions, and methods of manufacturing solid-state battery electrodes.